Location:HOME > Products > Damper Components > #35Z;Brass Stud Products
![]() |
|
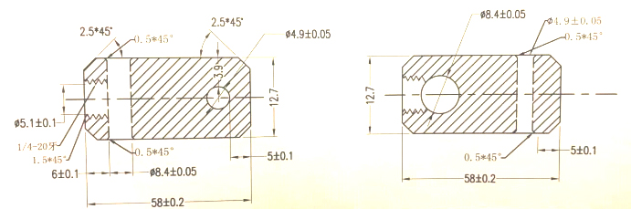
Name: #35Z;Brass Stud Code: #35Z Description: ![]() ![]() |
0086-574-22683288 0086-574-22680488
![]() |
|
Name: #35Z;Brass Stud Code: #35Z Description: ![]() ![]() |