Location:HOME > Products > Damper Components > MSFD Limited SwitchProducts
![]() |
|
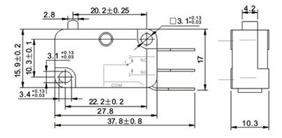
Name: MSFD Limited Switch Code: 115-1 Description:
Normally-closed and normally-open versions are available.
Silver Contact. UL,TUV,CE. Drawing: Micro Switch Characterics: |


